1 страниц (4 вхождений)
Ideal Gas Steam Unit - Сообщения
Gas-Steam.sm (71,32 КиБ) скачан 893 раз(а).
Hi. With T-s diagram.
Gas-Steam Ideal.sm (101,24 КиБ) скачан 844 раз(а).
Gas-Steam Ideal.pdf (406,25 КиБ) скачан 505 раз(а).
Best regards.
Alvaro.
Gas-Steam Ideal.sm (101,24 КиБ) скачан 844 раз(а).
Gas-Steam Ideal.pdf (406,25 КиБ) скачан 505 раз(а).
Best regards.
Alvaro.
WroteHi. With T-s diagram.
Gas-Steam Ideal.sm (101,24 КиБ) скачан 844 раз(а).
Gas-Steam Ideal.pdf (406,25 КиБ) скачан 505 раз(а).
Best regards.
Alvaro.
Thanks!
But see please
https://www.maplesoft.com/applications/Preview.aspx?id=154050
and this picture

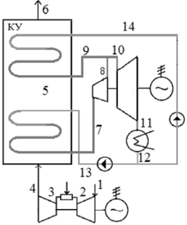
Our cycle is not real in this sing. We must work with 2-stage unit

Wrote[
But see please
https://www.maplesoft.com/applications/Preview.aspx?id=154050
and this picture
You don't have recoverable heat at state 2, it is on the compressed liquid region (even 2 are exhaust pipe, but I don't know how to catch the exergy into a reheater or new boiler in that case).

Wrote... Our cycle is not real in this sing. We must work with 2-stage unit
You need to guess some efficiencies or give some state for the reheat components.
This have the Ts, Th and hs diagrams.
Gas-Steam Ideal.sm (134,26 КиБ) скачан 845 раз(а).
Best regards.
1 пользователям понравился этот пост
Valery Ochkov 03.06.2023 04:53:00
1 страниц (4 вхождений)
- Новые сообщения
- Нет новых сообщений